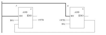
Non-Permitted Loops
Creating loops using links alone is not permitted because it is not possible to clearly define the signal flow (the output of one FFB is the input of the next FFB, and the output of this one is the input of the first again).
Non-permitted loops via links:

Generating Via an Actual Parameter
This type of logic must be generated using feedback variables so that the signal flow can be determined.
Feedback variables must be initialized. The initial value is used during the first execution of the logic. Once they have been executed the initial value is replaced by the actual value.
Pay attention to the two different types of execution sequences (number in brackets after the instance name) for the two blocks.
Loop generated with an actual parameter: Type 1

Loop generated with an actual parameter: Type 2


