Execution Sequence of Networks
The following rules apply to network execution sequences:
Executing a section is completed network by network based on the object links from above and below.
Links may not be used to create loops since the sequence of execution in this case cannot be clearly determined. Loops must be created using actual parameters (see Loop Planning).
The execution sequence of networks which are only linked by the left power rail, is determined by the graphical sequence (from top to bottom) in which these are connected to the left power rail. This does not apply if the sequence is influenced by control elements.
Processing on a network is ended completely before the processing begins on another network.
No element of a network is deemed to be processed until the status of all inputs of this element have been processed.
Processing on a network is only ended if all outputs on this network have been processed. This also applies if the network contains one or more control elements.
Signal Flow within a Network
For signal flow within a network (rungs), the following rules apply:
The signal flow for Boolean links is:
left to right with horizontal Boolean links and
from top to bottom with vertical Boolean links.
The signal flow with FFB links is from the FFB output to the FFB input, regardless of which direction they are made in.
An FFB is only processed if all elements (FFB outputs etc.) to which it’s inputs are linked are processed.
The execution sequence of FFBs that are linked with various outputs of the same FFB runs from top to bottom.
The execution sequence of objects is not influenced by their positions within the network.
The execution sequence for FFBs is represented as execution number by the FFB.
Priorities
Priorities when defining the signal flow within a section:
Priority |
Rule |
Description |
|---|---|---|
1 |
Link |
Links have the highest priorities in defining the signal flow within an LD section. |
2 |
Network by Network |
Processing on a network is ended completely before the processing begins on another network. |
3 |
Output sequence |
Outputs of the same function block or outputs to vertical links are processed from top to bottom. |
4 |
Rung by Rung |
Lowest priority. The execution sequence of networks which are only linked by the left power rail, is determined by the graphical sequence (from top to bottom) in which these are connected to the left power rail. (Only applies if none of the other rules apply). |
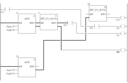
Example
Example of the execution sequence of objects in an LD section:


