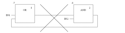
Non-Permitted Loops
Configuring loops exclusively via links is not permitted since it is not possible to clearly specify the signal flow (the output of one FFB is the input of the next FFB, and the output of this one is the input of the first).
Non-permitted Loops via Links

Generating Via an Actual Parameter
This type of logic must be resolved using feedback variables so that the signal flow can be determined.
Feedback variables must be initialized. The initial value is used during the first execution of the logic. Once they have been executed the initial value is replaced by the actual value.
Pay attention to the two different types of execution sequences (number in brackets after the instance name) for the two blocks.
Loop generated with an actual parameter: Type 1

Loop generated with an actual parameter: Type 2


