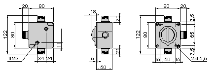
Dimensions of branch box
(Original Document)
About us
Module
The following drawing shows the horizontal and vertical dimensions of a
TSX EF ACC 99
branch box.