The IP67 modules are attached using 3 attachment holes positioned as follows:
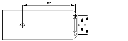
The TSX EF ACC 99 branch box is attached using 2 attachment holes positioned as follows:
IP67
Family of Schneider Automation hardware products consisting of sealed I/O modules which connect to the Fipio field bus, used to produce automated systems with distributed I/Os.