
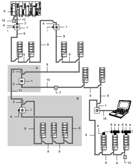
ABranch head
BIP67 branch.
|
Number
|
Reference
|
Type of connection
|
Description
|
|---|---|---|---|
|
1
|
TSX EF ACC 99
|
Branch box.
|
This branch box can be used to perform 3 functions:
|
|
2
|
TSX EF CF 01
|
IP67 female connector, type M23.
|
IP67 female solder connector with M23 type ring, 6 contacts for Fipio bus connection and 24 VDC power supply. This type of independent connector is designed to be fitted to one end of TSX FP CA/CC/CP•00/CR cables
|
|
3
|
TSX EF CM 01
|
IP67 male connector, type M23.
|
IP67 male solder connector with M23 type ring, 6 contacts for Fipio bus connection and 24 VDC power supply. This type of independent connector is designed to be fitted to one end of TSX FP CA/CC/CP•00/CR cables.
|
|
4
|
TSX EF CF 03
|
IP67 female connector, type 7/8" (24 VDC power supply).
|
7/8" type IP67 female screw connector, 5 contacts for connection of the 24 V power supply. This type of connector is designed to be used for connecting the 24 VDC power supply of TSX ESF/EMF output or mixed modules and/or of the TSX EF ACC 99 branch box. The maximum authorized current for each contact on this connector is 8 A.
|
|
5
|
TSX EF CM 03
|
IP67 male connector, type 7/8" (24 VDC power supply).
|
7/8" type IP67 male screw connector, 5 contacts for linked connection using the TSX EF CT 03 T connector, designed to supply the preactuators with 24 VDC.
|
|
6
|
TSX EF CT 03
|
T connector (for linking 24 VDC power supply).
|
7/8" type IP67 T connector, 5 contacts for linking the 24 V power supply of the preactuators. The maximum authorized current for each contact on this connector is 8 A.
|
|
7
|
TSX EF CF 02
|
IP67 female connector, type M23.
|
M23 type IP67 female threaded solder connector, 6 contacts for extending Fipio TSX FP CA/CC/CP•00/CR cables.
|
|
8
|
TSX FP ACC 2
or
TSX FP ACC 12
|
SUB-D 9 type female connector.
|
SUB-D type connectors with 9 contacts for Fipio/Fipway connection to PLCs. Can be used for linked or branched connection (90° high or low output, 45° high or low output).
|
|
9
|
TSX EF ACC 2•••
and
TSX EF ACC 2••••
|
IP67 compound-filled Fipio cable for linking of modules.
|
Main compound-filled cable of a predefined length, 150 Ω twisted shielded pair, and a 1.5 mm2 power supply pair. Equipped with an M23 male connector and an M23 double female/female connector.
|
|
10
|
TSX FP CP •00
|
IP67 Fipio cable (1 cable pair, 2 1.5 mm2 power supply conductors, in 100 m or 500 m).
|
Main IP67 Fipio cable, 150 Ω twisted shielded pair, and a 1.5 mm2 power supply pair (Ø 9.5 mm). Free wire ends to be fitted with IP 67 M23 type TSX EF CF 01/02 and TSX EF CM 01 solder connectors.
|
|
11
|
TSX FP CC •00
|
Fipio branch cable (2 pairs, in 100 m or 500 m).
|
Branch cable, 150 Ω double shielded twisted pair (Ø 8 mm) for standard environments and building interiors. Free wire ends to be fitted with IP67 M23 type TSX CF 01/02 and TSX CM 01 soldered connectors.
|
|
12
|
TSX FP CA •00
|
Fipio link cable (1 pair, in 100 m, 200 m or 500 m).
|
Main cable, one 150 Ω shielded twisted pair (Ø 8 mm) for standard environments and building interiors. Free wire ends to be fitted with IP 67 M23 type TSX EF CF 01/02 and TSX EF CM 01 solder connectors.
|
|
13
|
TSX EF ACC 7
|
IP67 M23 type line terminator.
|
IP67 M23 type line terminator, to be positioned, depending on use, at one or both ends of the section (male type for direct connection).
|
|
14
|
TSX FP ACC 7
|
Line terminator
|
IP20 line terminator (batch of 2), to be positioned, depending on use, at one or both ends of the section.
|
|
15
|
TSX FP CG 0•0
|
PLC or programming terminal link cable
|
Branch connection cable for TSX FPP 10/20 PCMCIA interface card for Premium, FT 2000 terminal and PC-compatible PLCs. This cable allows a PLC or a programming terminal to be connected to a TSX EF ACC 99 branch box.
|
|
Reference
|
Type of connection
|
Description
|
|---|---|---|
|
XZ-LG 101
|
Identification labels.
|
Strip of 10 additional identification labels (a strip is already supplied with each module).
|
|
XZ-LG 102
|
IP67 sealing plugs
|
Batch of 10 M12 sealing plugs for unused I/O connectors. Each module is supplied with two plugs.
|
|
170 XTS 050 00
|
IP67 sealing plug.
|
Sealing plug for M23 connector.
|