Introduction
20-pin connector modules are connected to sensors, pre-actuators or terminals using a cable designed to enable direct wire to wire transition of the module’s inputs/outputs.
| WARNING | |
|---|---|
Cable Description
The BMX FTW •01S cables are pre-assembled cord set, made up of:
At one end, a compound-filled 20-pin terminal block from which extend 1 cable sheath containing 20 wires,
At the other end, free wire ends differentiated by color code.
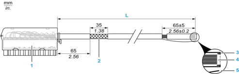
The figure below shows the BMX FTW •01S cables:

1 BMX FTB 2020 Terminal block
2 Cable shielding
3 First of external sheath
4 Wires not stripped
5 Strand of nylon allowing the cable sheath to be stripped easily.
L Length according to the part number.
The cable comes in 2 different lengths:
3 m (9.84 ft): BMX FTW 301S;
5 m (16.40 ft): BMX FTW 501S;
Pin Assignment
The diagram below shows the connection of BMX FTW •01S cable:

Characteristics
The following table gives the characteristics of the BMX FTW •01S cables:
Characteristic |
Value |
|
|---|---|---|
Cable |
Sheath material |
PVC |
LSZH status |
No |
|
Conductor description |
Number of conductors |
20 |
Conductor cross section (Gauge) |
0.34 mm2 (22 AWG) |
|
Environmental |
Operating temperature |
-25...70 °C (-13...158 °F) |
Applicable standards |
DIN47100 |
|
Cable Installation
| DANGER | |
|---|---|
The following diagram shows the pre-assembled cable connected to the module:

For more detailed information, refer to the topic Fitting a 20-pin Terminal Block to a Module.

