Introduction
The TELEFAST pre-wired system consists of connecting cables and interface sub-bases as shown below:

1 BMEAHO0412(C) module
2 BMXFCA••0 connecting cables
3 Interface sub-base ABE7CPA21
4 Shield bar
5 Clamp
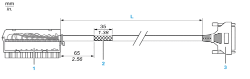
BMXFCA••0 Connecting Cables
The BMXFCA••0 cables are pre-assembled cord set, made up of:
At one end, a compound-filled 20-pin terminal block from which extend 1 cable sheath containing 20 wires,
At the other end a 25-pin Sub-D connector.
The figure below shows the BMXFCA••0 cables:

1 BMXFTB2020 Terminal block
2 Cable shielding
3 25-pin Sub-D connector
L Length according to the part number.
The cable comes in 2 different lengths:
1.5 m (4.92 ft): BMXFCA150
3 m (9.84 ft): BMXFCA300
5 m (16.40 ft): BMXFCA300
The following table gives the characteristics of the BMXFCA••0 cables:
Characteristic |
Value |
|
|---|---|---|
Cable |
Sheath material |
PVC |
LSZH status |
No |
|
Environmental |
Operating temperature |
-25...70 °C (-13...158 °F) |
Connecting Sensors
Actuators may be connected to the ABE7CPA21 wiring accessory as depicted in the Wiring Diagrams topic.
The distribution of analog channels on TELEFAST terminal blocks with the reference ABE7CPA21 are as follows:
TELEFAST terminal block number |
BMEAHO0412 pinout |
Signal type |
TELEFAST terminal block number |
BMEAHO0412 pinout |
Signal type |
|---|---|---|---|---|---|
1 |
NC |
Ground |
Supp 1 |
NC |
Ground |
2 |
NC |
STD(1) |
Supp 2 |
NC |
Ground |
3 |
NC |
STD(1) |
Supp 3 |
NC |
Ground |
4 |
NC |
STD(2) |
Supp 4 |
NC |
Ground |
100 |
1 |
CH0 |
200 |
2 |
COM0 |
101 |
NC |
NC |
201 |
NC |
Ground |
102 |
7 |
CH1 |
202 |
8 |
COM1 |
103 |
NC |
NC |
203 |
NC |
Ground |
104 |
11 |
CH2 |
204 |
12 |
COM2 |
105 |
NC |
NC |
205 |
NC |
Ground |
106 |
17 |
CH3 |
206 |
18 |
COM3 |
107 |
NC |
NC |
207 |
NC |
Ground |
COMx: Common pin for channel x NC: Not connected |
|||||
| DANGER | |
|---|---|
BMEAHO0412(C) with 2-Wire or 4-Wire Transmitter, TELEFAST Connector
This example illustrates how to connect the output module to either a 2-wire or a 4-wire transmitter using a TELEFAST wiring accessory and cable. The cable includes a 20-pin terminal block. Field power is supplied to the transmitter only for the 4-wire design.

1 2-wire or 4-wire transmitter
2 4-20 mA current loop, with arrows indicating direction of current flow
3 Field power supply (for 4-wire design only)
4 Protective ground
5 Secondary HART (hand-held)
HART Network Cable Characteristics and Lengths
The HART Communication Foundation has developed documentation describing recommended types and diameters of cable for HART networks. This documentation also includes instructions on how to calculate maximum cable lengths for a HART network.
To obtain a copy of this documentation, visit the HART Communication Foundation website at www.hartcomm.org, and download the document FSK Physical Layer Specification (document number HFD_SPEC-054). HART network cable characteristics and lengths information can be found at section 7.5 of this document.

