Introduction
The TELEFAST pre-wired system consists of connecting cables and interface sub-bases as shown below:

1 BMEAHI0812(H) module
2 BMXFTA••22 connecting cables
3 Interface sub-base ABE7CPA31
4 Shield bar
5 Clamp
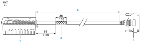
BMXFTA••22 Connecting Cables
The BMXFTA••22 cables are pre-assembled cord set, made up of:
At one end, a compound-filled 20-pin terminal block from which extend 1 cable sheath containing 20 wires,
At the other end a 25-pin Sub-D connector.
The figure below shows the BMXFTA••22 cables:

1 BMXFTB2020 Terminal block
2 Cable shielding
3 25-pin Sub-D connector
L Length according to the part number.
The cable comes in 2 different lengths:
1.5 m (4.92 ft): BMXFTA1522
3 m (9.84 ft): BMXFTA3022
The following table gives the characteristics of the BMXFTA••22 cables:
Characteristic |
Value |
|
|---|---|---|
Cable |
Sheath material |
PVC |
LSZH status |
No |
|
Environmental |
Operating temperature |
-25...70 °C (-13...158 °F) |
Connecting Sensors
Sensors may be connected to the ABE7CPA31 accessory as depicted in the Wiring Diagrams topic.
The distribution of analog channels on TELEFAST terminal blocks with the reference ABE7CPA31 are as follows:
TELEFAST terminal block number |
BMEAHI0812 pin out |
Signal type |
TELEFAST terminal block number |
BMEAHI0812 pin out |
Signal type |
|---|---|---|---|---|---|
1 |
NC |
Ground |
Supp 1 |
NC |
+24 Vdc (sensor supply) |
2 |
NC |
Ground |
Supp 2 |
NC |
+24 Vdc (sensor supply) |
3 |
NC |
Ground |
Supp 3 |
NC |
0 Vdc (sensor supply) |
4 |
NC |
Ground |
Supp 4 |
NC |
0 Vdc (sensor supply) |
100 |
NC |
+IS0 |
116 |
NC |
+IS4 |
101 |
NC |
NC |
117 |
NC |
NC |
102 |
3 |
+IC0 |
118 |
11 |
+IC4 |
103 |
4 |
0 V0 |
119 |
12 |
0 V4 |
104 |
NC |
+IS1 |
120 |
NC |
+IS5 |
105 |
NC |
NC |
121 |
NC |
NC |
106 |
5 |
+IC1 |
122 |
13 |
+IC5 |
107 |
6 |
0 V1 |
123 |
14 |
0 V5 |
108 |
NC |
+IS2 |
124 |
NC |
+IS6 |
109 |
NC |
NC |
125 |
NC |
NC |
110 |
7 |
+IC2 |
126 |
15 |
+IC6 |
111 |
8 |
0 V2 |
127 |
16 |
0 V6 |
112 |
NC |
+IS3 |
128 |
NC |
+IS7 |
113 |
NC |
NC |
129 |
NC |
NC |
114 |
9 |
+IC3 |
130 |
17 |
+IC7 |
115 |
10 |
0 V3 |
131 |
18 |
0 V7 |
+ICx: + pole current input for channel x +ISx: - pole voltage or current input for channel x COMx: Common pin for channel x NC: Not Connected |
|||||
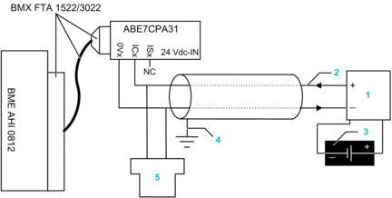
BMEAHI0812(H) with 2-Wire or 4-Wire Transmitter, TELEFAST Connector with Power Supply
These examples illustrate how to connect the input module to a 2-wire or 4-wire transmitter using a TELEFAST wiring accessory and cable. The cable includes a 20-pin terminal block. 24 Vdc power is supplied to the 4-20 mA current loop:
via the TELEFAST wiring accessory in the 2-wire design
via the transmitter in the 4-wire design
2-wire design:

1 2-wire transmitter
2 4-20 mA current loop, with arrows indicating direction of current flow
3 24 Vdc power supply
4 Protective ground
5 Secondary HART (hand-held)
4-wire design:

1 4-wire transmitter
2 4-20 mA current loop, with arrows indicating direction of current flow
3 Field power supply
4 Protective ground
5 Secondary HART (hand-held)
HART Network Cable Characteristics and Lengths
The HART Communication Foundation has developed documentation describing recommended types and diameters of cable for HART networks. This documentation also includes instructions on how to calculate maximum cable lengths for a HART network.
To obtain a copy of this documentation, visit the HART Communication Foundation website at www.hartcomm.org, and download the document FSK Physical Layer Specification (document number HFD_SPEC-054). HART network cable characteristics and lengths information can be found at section 7.5 of this document.
For a BMEAHI0812(H) HART analog input module that uses loop power provided by a TELEFAST ABE7CPA31 wiring accessory, the maximum cable length between the sensor and wiring accessory is limited by the following calculation (in addition to the maximum cable length limits recommended by the HART Communication Foundation:
ABE7CPA31 |
|
|---|---|
Maximum capacitance |
0.206 μF |
Maximum cable length |
(0.206 μF) / (Capacitance/unit) |
Maximum length if Cap/unit = 55pF/feet |
3745 ft (1141 m) |

